Digitalradio-in-Deutschland

Dein Board für DAB+ - Das Radio der Zukunft
Startseite D-I-D besuchen
Aktuelle Zeit: Fr 8. Mai 2026, 23:53

Alle Zeiten sind UTC + 1 Stunde [ Sommerzeit ]




Ein neues Thema erstellen Auf das Thema antworten  [ 191 Beiträge ]  Gehe zu Seite Vorherige  1 ... 12, 13, 14, 15, 16, 17, 18 ... 20  Nächste
Autor Nachricht
 Betreff des Beitrags: Re: Lübeck K9D
BeitragVerfasst: Mo 16. Sep 2024, 10:05 
Offline
DAB-Freak

Registriert: Di 1. Sep 2015, 17:50
Beiträge: 7610
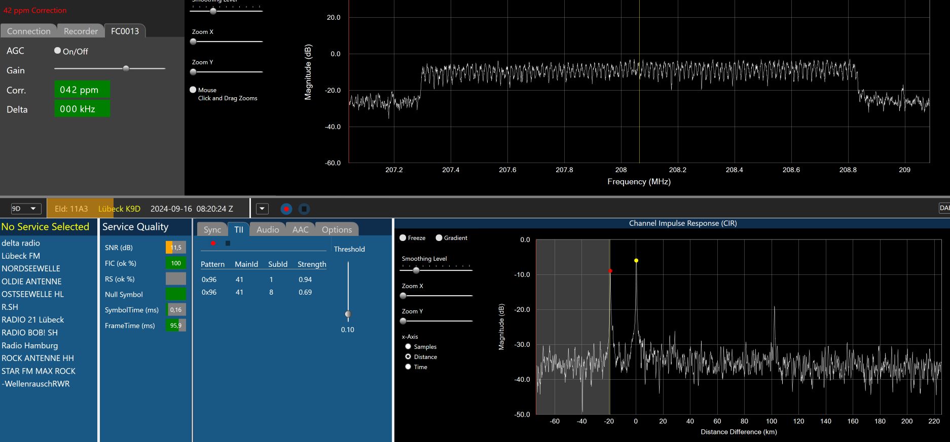
Seit etwa mitte letzter Woche ist der 9D gestoert. Der Standort Moelln ist aus der SFN Synchronisation raus.
Erstaunlich, dass der Netzbetreiber das nicht ueberwacht.

Bei 100km das ist Moelln. Muss eigentlich bei 20km sein. Seit Samstag ist er dort zu sehen. Vorher war er gar nicht im CIR.


Dateianhänge:
9DMoellnSFNerror.jpg
9DMoellnSFNerror.jpg [ 154.62 KiB | 6260-mal betrachtet ]
Nach oben
 Profil  
Mit Zitat antworten  
 Betreff des Beitrags: Re: Lübeck K9D
BeitragVerfasst: Mo 16. Sep 2024, 19:37 
Offline
DAB-Freak

Registriert: Do 5. Nov 2020, 19:30
Beiträge: 10197
Wohnort: Privat
ich merke das hier sehr wohl in meinem Pure.
der Mux wird indoor bei Hochdruck nun nichtmehr eingelesen. ich schob das erst auf Störungen, aber stattdessen fand ich den Kieler 5A bzw. den 11D aus Flensburg problemlos in der Liste.

während der letzten Woche bei Tiefdruck kam nur Stockelsdorf, da gab es auch entsprechend keine Probleme im Pure.


Nach oben
 Profil  
Mit Zitat antworten  
 Betreff des Beitrags: Re: Lübeck K9D
BeitragVerfasst: Mo 16. Sep 2024, 23:19 
Offline
DAB-Freak

Registriert: Do 5. Nov 2020, 19:30
Beiträge: 10197
Wohnort: Privat
derzeit sehr stark aus Großraum Hamburg und prombt ist der 9D total kaputt weil Mölln offenbar aus dem Tackt ist!

das muss im Auto kein Spaß sein heute Abend ...


Dateianhänge:
9D 16 Sept.jpg
9D 16 Sept.jpg [ 21.61 KiB | 6209-mal betrachtet ]
9A 16 Sept.jpg
9A 16 Sept.jpg [ 22.31 KiB | 6209-mal betrachtet ]
Nach oben
 Profil  
Mit Zitat antworten  
 Betreff des Beitrags: Re: Lübeck K9D
BeitragVerfasst: Di 17. Sep 2024, 09:13 
Offline
DAB-Bitkenner

Registriert: Fr 19. Okt 2018, 10:42
Beiträge: 727
Wohnort: HRO
Henrik P. Moeller hat geschrieben:
;) derzeit sehr stark aus Großraum Hamburg und prombt ist der 9D total kaputt weil Mölln offenbar aus dem Tackt ist!

das muss im Auto kein Spaß sein heute Abend ...

Heute Abend kann es schon wieder ganz anders aussehen.
Außerdem gibt es wohl immer noch genug Alternativen… ;)


Nach oben
 Profil  
Mit Zitat antworten  
 Betreff des Beitrags: Re: Lübeck K9D
BeitragVerfasst: Di 17. Sep 2024, 09:22 
Offline
DAB-Freak

Registriert: Di 1. Sep 2015, 17:50
Beiträge: 7610
Die stoeren sich wahrscheinlich sehr grossflaechig. Vorallem im Raum Ratzeburg wird gar nichts vom 9D gehen.


Nach oben
 Profil  
Mit Zitat antworten  
 Betreff des Beitrags: Re: Lübeck K9D
BeitragVerfasst: Di 17. Sep 2024, 10:25 
Offline
DAB-Freak

Registriert: Do 5. Nov 2020, 19:30
Beiträge: 10197
Wohnort: Privat
erstaunlich dass das niemandem auffällt. scheint keiner zu monitoren.


Nach oben
 Profil  
Mit Zitat antworten  
 Betreff des Beitrags: Re: Lübeck K9D
BeitragVerfasst: Di 17. Sep 2024, 21:26 
Offline
DAB-Freak

Registriert: Do 5. Nov 2020, 19:30
Beiträge: 10197
Wohnort: Privat
Stand jetzt 21 uhr ist der 9D fast gar nicht mehr zu empfangen und wenn dann nur mit bruchstückenhaft Audio.
unmöglich sowas. dann sollen sie die drei Sender ganz abschalten damit wenigstens der Kanal nicht blockiert ist

kann das so schwer sein ein SFN zu synchronisieren?


Nach oben
 Profil  
Mit Zitat antworten  
 Betreff des Beitrags: Re: Lübeck K9D
BeitragVerfasst: Di 17. Sep 2024, 23:17 
Offline
DAB-Freak

Registriert: Di 1. Sep 2015, 17:50
Beiträge: 7610
Muesstest mal einen der Programmveranstalter kontaktieren, damit der dem Netzbetreiber mitteilt, dass es ein Problem mit dem 9D SFN gibt.
Kannst aber auch abwarten, wie lange es wohl dauert. Eine Woche ist schon um.


Nach oben
 Profil  
Mit Zitat antworten  
 Betreff des Beitrags: Re: Lübeck K9D
BeitragVerfasst: Mi 18. Sep 2024, 00:37 
Offline
DAB-Freak

Registriert: Do 5. Nov 2020, 19:30
Beiträge: 10197
Wohnort: Privat
der 9D ist hier nun komplett tot wegen dem Tropo
ich wette der Privatmux hat heute Nacht überall Probleme , selbst in der Lübecker Innenstadt mit Tropo übers Meer.

man darf ja nicht vergessen dass der aus Stockelsdorf von außerhalb kommt.


Nach oben
 Profil  
Mit Zitat antworten  
 Betreff des Beitrags: Re: Lübeck K9D
BeitragVerfasst: Mi 18. Sep 2024, 09:01 
Offline
DAB-Freak

Registriert: Do 5. Nov 2020, 19:30
Beiträge: 10197
Wohnort: Privat
das Problem müsste nun eig. im Laufe des heutigen Tages aufgelöst werden. ich beobachte weiter.

Nordlicht2 hat geschrieben:
Erstaunlich, dass der Netzbetreiber das nicht ueberwacht.


das passt hierzu :roll:
ich kenn ja die Preislisten nicht, muss man Monitoring und Redundanz mittlerweile extra zahlen?



Nordlicht2 hat geschrieben:
Muesstest mal einen der Programmveranstalter kontaktieren


leicht OT: ich bin seit December 1999 online. Datenschutzgesetze gab es in der Anfangszeit des Internets nicht.
damals war es so, wenn man über die Mail (oder in Betreff) den Satz "bitte an die Sendetechnik weiterleiten" gesetzt hat, bekam man einen kompetenten Ansprechpartner und die Mail wurde inhouse entsprechend weitergeleitet.
über viele Jahre habe ich ein internes Dokument gepflegt mit den Kontaktadressen aus ganz D und darüber hinaus (Spanien etc.) - wie gesagt, Datenschutz ("für uns Neuland") gab es zunächst keines bis ca. 2006.


heute ist es so wenn du einen großen Privatsender wie RSH oder Delta kontaktierst dass du aus der Antwort schon ersehen kannst dass die Person gar nicht weiß wo sie senden ob UKW oder DAB. gerade auch bei den beiden Programmen . oft genug selbst erlebt, es ist ein Trauerspiel. selbst große Häuser (zB der WDR hat ein externes Callcenter für Hörer/ZUschaueservice)

wenn man den Kontakt hat, ist es leicht. aber oft kommt die Mail einfach gar nicht erst zu den richtigen Stellen durch.


Nach oben
 Profil  
Mit Zitat antworten  
Beiträge der letzten Zeit anzeigen:  Sortiere nach  
Ein neues Thema erstellen Auf das Thema antworten  [ 191 Beiträge ]  Gehe zu Seite Vorherige  1 ... 12, 13, 14, 15, 16, 17, 18 ... 20  Nächste

Alle Zeiten sind UTC + 1 Stunde [ Sommerzeit ]


Wer ist online?

Mitglieder in diesem Forum: 0 Mitglieder und 8 Gäste


Du darfst keine neuen Themen in diesem Forum erstellen.
Du darfst keine Antworten zu Themen in diesem Forum erstellen.
Du darfst deine Beiträge in diesem Forum nicht ändern.
Du darfst deine Beiträge in diesem Forum nicht löschen.
Du darfst keine Dateianhänge in diesem Forum erstellen.

Suche nach:
Gehe zu:  
Impressum

Datenschutz (EUDSGVO)

Powered by phpBB® Forum Software © phpBB Group
Deutsche Übersetzung durch phpBB.de