Man kann auch bei MB anrufen. Mit fachlich, kompetenter und ueberzeugender Aussage zum Problem wird man dann auch ernst genommen, auch wenn man kein Kunde ist. Mach ich diesmal aber nicht, da mich einfach interessiert, wie lange die oertliche Zielgruppe auf ihre Programme verzichten kann oder muss. Immerhin soll ja naechstes Jahr UKW teilweise abgeschaltet werden.
Wie schrieb hier doch jemand, es gibt genug Alternativen zum 9D. Die Mitbewerber in den anderen Muxen duerfte es freuen.

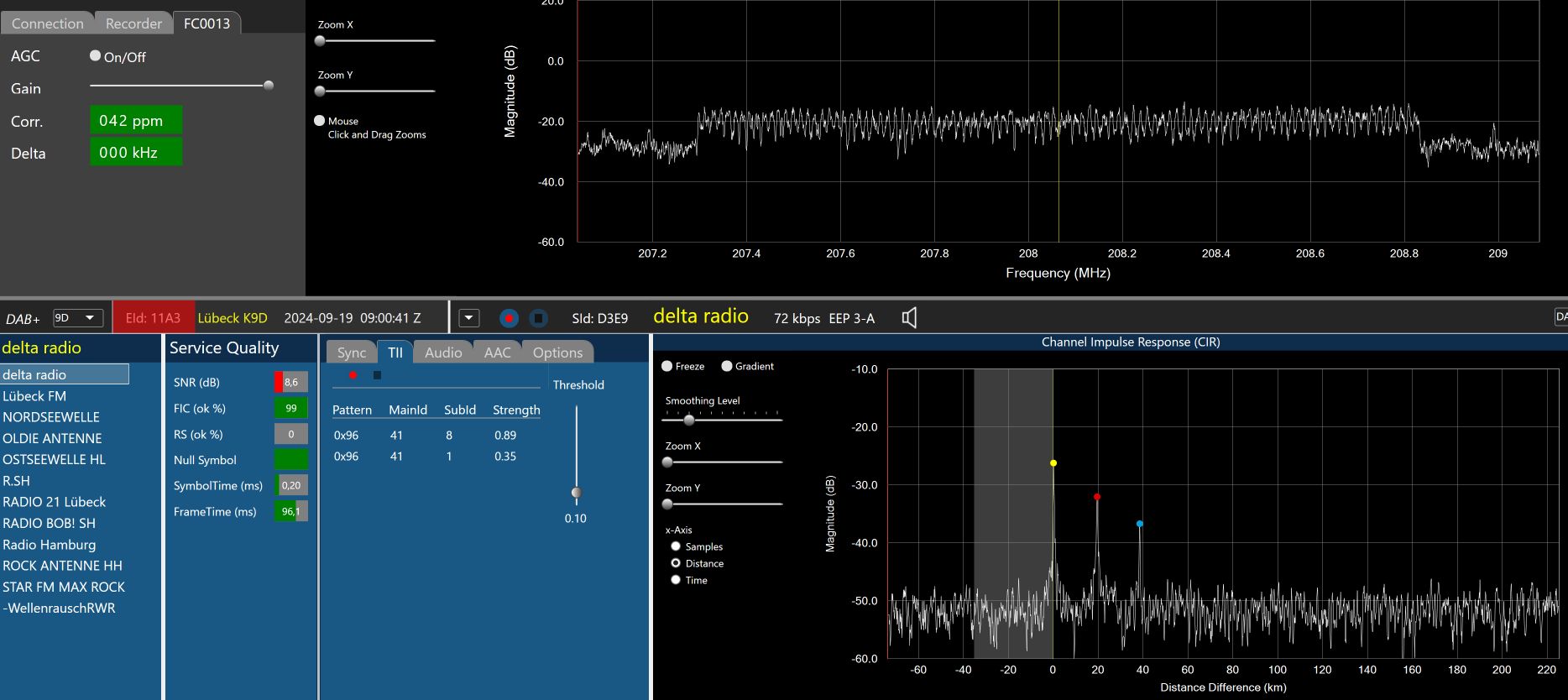
Redundanz extra bezahlen bzieht sich nur auf die Zufuehrung des eigenen Programms. Der Fehler jetzt betrifft alle Programme und ein Monitoring des kompletten SFNs von Messpunkten aus, muesste von allen bezahlt werden. Ich wuerde dies im Jahre 2024 allerdings als Standard ansehen. So viele Messpunkte braucht es da nicht. Immerhin sehe ich das auch ohne Tropo von Stralsund aus. Schwieriger ist es zu erkennen, ob der Sender im SFN ueberhaupt noch etwas und Frame richtig aussendet. Aus der Entfernung kann das nur schwer, anhand des SNR, beurteilt werden. Moelln alleine ist, sobald er hier staerker als Bungsberg und Luebeck ankommt, nur alleine im CIR zu sehen. Eingelesen wird der Mux hier dann gar nicht mehr.