Digitalradio-in-Deutschland

Dein Board für DAB+ - Das Radio der Zukunft
Startseite D-I-D besuchen
Aktuelle Zeit: So 12. Apr 2026, 19:19

Alle Zeiten sind UTC + 1 Stunde [ Sommerzeit ]




Ein neues Thema erstellen Auf das Thema antworten  [ 3811 Beiträge ]  Gehe zu Seite Vorherige  1 ... 328, 329, 330, 331, 332, 333, 334 ... 382  Nächste
Autor Nachricht
 Betreff des Beitrags: Re: Tropo-Logs
BeitragVerfasst: Mi 18. Sep 2024, 09:02 
Offline
DAB-Freak

Registriert: Di 1. Sep 2015, 17:50
Beiträge: 7581
Der Himmel ist in ganz Norddeutschland bedeckt. Daher komisch, dass bei dir morgens nichts mehr geht. Hier bei mir ist z.B. Sachsen seit gestern durchgehend dabei. Wird nur von hinten durch Schweden, SH oder Bornholm etwas gestoert.


Nach oben
 Profil  
Mit Zitat antworten  
 Betreff des Beitrags: Re: Tropo-Logs
BeitragVerfasst: Mi 18. Sep 2024, 09:08 
Offline
DAB-Freak

Registriert: Do 5. Nov 2020, 19:30
Beiträge: 10197
Wohnort: Privat
ich bin so landeinwärz dass hier gegen 9 , allerspätestens 10 Uhr regelmaessig alles zusammenbricht. leider...

woher kommt der Sachse auf 12A den ich hier letzte Nacht hatte, ist das etwa Leipzig? der 6C BS war gestört.


angekündigt war purer Sonnenschein mit Spätsommerwetter. leider nur 15 Grad also genau so warm oder kalt wie letzte Nacht. von Sonne keine Spur @NDR-Wetter !


Nach oben
 Profil  
Mit Zitat antworten  
 Betreff des Beitrags: Re: Tropo-Logs
BeitragVerfasst: Mi 18. Sep 2024, 11:27 
Offline
DAB-Freak

Registriert: Do 5. Nov 2020, 19:30
Beiträge: 10197
Wohnort: Privat
also wirklich herausragend sind die Bedingungen nicht.
auf 12A kamen nun einige sächselnde Programme. 8A/8B/8C haben dafür die üblichen Dänen.

auf 11D gehen je nach Standort im Haus WDR oder Flensburg mit Audio.

meine Ortssender auf 9A und 9D und 10A sind völlig "leergeräumt" da stören wohl auch Sachsen und NRW



ps: sind nicht mal 20 Grad hier. angekündigt waren fast 30, zumindest aber über 25 !!! :evil: :evil: :evil: von der "lieben" Sonne auch keine Spur!!!


Nach oben
 Profil  
Mit Zitat antworten  
 Betreff des Beitrags: Re: Tropo-Logs
BeitragVerfasst: Mi 18. Sep 2024, 19:28 
Offline
DAB-Freak

Registriert: Di 1. Sep 2015, 17:50
Beiträge: 7581
Norwegen und Danzig wieder dabei und aus Westen 8D NDR oder DK 13B sehr stark. Malmoe, Casekow, Berlin, Luebeck extrem stark.
Eigentlich wuerden wohl auch Hollaender gehen denn 8D ist es Aurich der so stark ist aber es sind wirklich alle Kanaele belegt.


Nach oben
 Profil  
Mit Zitat antworten  
 Betreff des Beitrags: Re: Tropo-Logs
BeitragVerfasst: Mi 18. Sep 2024, 19:36 
Offline
DAB-Freak

Registriert: Di 1. Sep 2015, 17:50
Beiträge: 7581
Ha, nicht Holland, dafuer UK. :o


Dateianhänge:
UK12A.jpg
UK12A.jpg [ 92.4 KiB | 1551-mal betrachtet ]
Nach oben
 Profil  
Mit Zitat antworten  
 Betreff des Beitrags: Re: Tropo-Logs
BeitragVerfasst: Mi 18. Sep 2024, 19:52 
Offline
DAB-Freak

Registriert: Do 5. Nov 2020, 19:30
Beiträge: 10197
Wohnort: Privat
das Hoch hängt irgendwo zwischen Bornholm und der Danziger Bucht
Fritz aus Casekow mit RDS neben Ortssender RSH, der RBB Mux dann heute wohl auch von da dominant


Nach oben
 Profil  
Mit Zitat antworten  
 Betreff des Beitrags: Re: Tropo-Logs
BeitragVerfasst: Mi 18. Sep 2024, 20:28 
Offline
DAB-Freak

Registriert: Di 1. Sep 2015, 17:50
Beiträge: 7581
Es fehlen noch 32km und die 1000km Grenze ist geknackt. Krass heute, diese enorm starken Pegel auf solch grosse Entfernung.
Ueckermuende oder Flensburg aus UK platt gemacht.


Dateianhänge:
11Duk.jpg
11Duk.jpg [ 85.73 KiB | 1542-mal betrachtet ]
Nach oben
 Profil  
Mit Zitat antworten  
 Betreff des Beitrags: Re: Tropo-Logs
BeitragVerfasst: Mi 18. Sep 2024, 22:00 
Offline
DAB-Freak

Registriert: Di 1. Sep 2015, 17:50
Beiträge: 7581
Auch das kommt selten vor, Morsum drueckt Schwerin weg.

Mobil im Auto wird es heute wohl sehr viele Probleme geben, da wo die Pegel der Heimat Muxe nicht all zu stark ankommen.


Dateianhänge:
12Bfl.jpg
12Bfl.jpg [ 83.84 KiB | 1528-mal betrachtet ]
Nach oben
 Profil  
Mit Zitat antworten  
 Betreff des Beitrags: Re: Tropo-Logs
BeitragVerfasst: Mi 18. Sep 2024, 23:02 
Offline
DAB-Freak

Registriert: Do 5. Nov 2020, 19:30
Beiträge: 10197
Wohnort: Privat
irre...


9D NRW statt Lübeck
12A Bornholm statt Fyn

Bremen, Danzig, ...


Dateianhänge:
DSC04272.JPG
DSC04272.JPG [ 22.68 KiB | 1520-mal betrachtet ]
DSC04295.JPG
DSC04295.JPG [ 24.87 KiB | 1520-mal betrachtet ]
DSC04302.JPG
DSC04302.JPG [ 22.74 KiB | 1520-mal betrachtet ]
DSC04313.JPG
DSC04313.JPG [ 22.71 KiB | 1520-mal betrachtet ]
DSC04356.JPG
DSC04356.JPG [ 22.21 KiB | 1520-mal betrachtet ]
DSC04357.JPG
DSC04357.JPG [ 21.9 KiB | 1520-mal betrachtet ]
DSC04371.JPG
DSC04371.JPG [ 22.33 KiB | 1520-mal betrachtet ]
DSC04384.JPG
DSC04384.JPG [ 22.04 KiB | 1520-mal betrachtet ]
DSC04391.JPG
DSC04391.JPG [ 23.38 KiB | 1520-mal betrachtet ]
DSC04394.JPG
DSC04394.JPG [ 21.01 KiB | 1520-mal betrachtet ]
Nach oben
 Profil  
Mit Zitat antworten  
 Betreff des Beitrags: Re: Tropo-Logs
BeitragVerfasst: Mi 18. Sep 2024, 23:14 
Offline
DAB-Freak

Registriert: Di 1. Sep 2015, 17:50
Beiträge: 7581
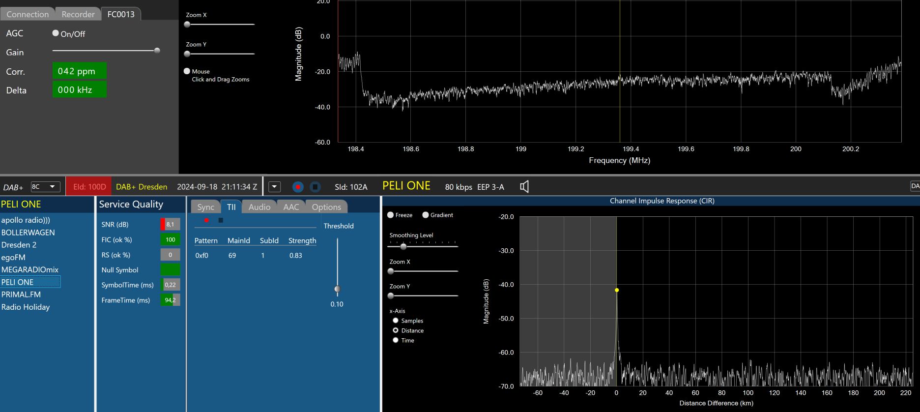
Jetzt ist Sachsen auch sehr stark. 8C Dresden Erstempfang, neben meinem 8B Ortsender.
Auch Freiberg 10D geht gut.


Dateianhänge:
8Cdd.jpg
8Cdd.jpg [ 137.75 KiB | 1516-mal betrachtet ]
Nach oben
 Profil  
Mit Zitat antworten  
Beiträge der letzten Zeit anzeigen:  Sortiere nach  
Ein neues Thema erstellen Auf das Thema antworten  [ 3811 Beiträge ]  Gehe zu Seite Vorherige  1 ... 328, 329, 330, 331, 332, 333, 334 ... 382  Nächste

Alle Zeiten sind UTC + 1 Stunde [ Sommerzeit ]


Wer ist online?

Mitglieder in diesem Forum: 0 Mitglieder und 1 Gast


Du darfst keine neuen Themen in diesem Forum erstellen.
Du darfst keine Antworten zu Themen in diesem Forum erstellen.
Du darfst deine Beiträge in diesem Forum nicht ändern.
Du darfst deine Beiträge in diesem Forum nicht löschen.
Du darfst keine Dateianhänge in diesem Forum erstellen.

Suche nach:
Gehe zu:  
Impressum

Datenschutz (EUDSGVO)

Powered by phpBB® Forum Software © phpBB Group
Deutsche Übersetzung durch phpBB.de